Второй вариант сборки
Еще одним способом сделать светодиодный самодельный фонарик – использовать старый светильник, в котором перегорела лампочка. В данном случае можно также запитать прибор одной батарейкой. Здесь для сборки будет использоваться следующая схема:

Схема для сборки карманного фонарика
Сборка по этой схеме происходит следующим образом:
- берем ферритовое кольцо (его можно извлечь из люминесцентной лампы) и наматываем на него 10 витков провода. Провод должен иметь сечение 0,5-0,3 мм;
- после того, как намотали 10 витков, делаем отвод или петельку и снова мотает 10 витков;

Обмотанное ферритовое кольцо
далее по схеме соединяем трансформатор, светодиод, батарейку (одной пальчиковой будет вполне достаточно) и транзистор КТ315. Можно еще поставить конденсатор для яркости свечения.

Если диод не засиял, значит необходимо поменять полярность батарейки. Если не помогло, то дело было не в батарейке и нужно проверить корректность подключения транзистора и источника света. Теперь дополняем нашу схему оставшимися деталями. Теперь схема должна иметь следующий вид:

Схема с дополнениями
При включении в схему конденсатора С1 и диода VD1, диод начнет светить намного ярче.

Визуализации схемы с дополнениями
Теперь только осталось выбрать резистор. Лучше всего ставить переменный резистор на 1,5 кОма. После этого нужно отыскать то место, в котором светодиод буде светит ярче всего. Далее сборка фонарика с одной батарейкой предполагает проведение следующих действий:
- теперь разбираем старый светильник;
- из узкого однобокого стеклотекстолита вырезаем круг, который должен соответствовать диаметру трубки осветительного прибора;

Детали подходящего размера
далее размечаем плату. После этого ножиком разрезаем фольгу и лудим плату. Для этого паяльник должен иметь специальное жало. Его можно сделать своими руками, накрутив на конец инструмента проволоку шириной 1-1,5 мм. Конец проволоки нужно заострить и залудить. Должно получиться примерно так;

Подготовленное жало паяльника
припаиваем к подготовленной плате детали. Она должна иметь следующий вид:

после этого соединяем припаянную плату с первоначальной схемой и проверяем ее работоспособность.

Проверка работоспособности схемы
После проверки нужно хорошо припаять все детали
Особенно важно нормально припаять светодиод
Также стоит уделить внимание контактам, идущим к одной батарейке. В итоге должно получиться следующее:

Плата с припаянным светодиодом
Теперь осталось только вставить все в фонарик. После этого края платы можно покрыть лаком.

Готовый светодиодный самодельный фонарик
Такой фонарик можно запитать даже от одной разряженной батарейки.
Аккумулятор в фонаре — почему так ненадолго его хватило?
На одном кольце тоже схема будет работать, но свечение будет слабее.
Сравнивал 2 фонарика на свечение, оригинальный (китайский) и переделанный по выше указанной схеме — различий в яркости почти не увидел. Преобразователь, кстати, можно вставить не только в аккумуляторный фонарик, а и в обычный, который работает от батареек, тогда можно будет запитывать его всего от 1 батарейки 1,5 В.
Схема зарядного устройства фонарика изменений почти не претерпела, за исключением номиналов некоторых деталей. Ток зарядки примерно 25 мА. При зарядке, фонарь надо отключать! И не клацать выключателем во время зарядки, поскольку напряжение зарядки более чем в 2 раза выше напряжения аккумулятора, и если оно пойдёт на преобразователь и усилится — светодиоды частично или полностью придётся менять…
В принципе, по выше указанной схеме, светодиодный фонарик легко можно сделать и своими руками, вмонтировав его, например, в корпус какого-нибудь старого, даже самого древнего фонарика, а можно сделать корпус и самому.
А чтобы не менять структуру выключателя старого фонарика, где использовалась маленькая лампочка накаливания на 2,5-3,5 В нужно разбить уже сгоревшую лампочку и к цоколю, вместо стеклянной колбы, припаять 3-4 белых светодиода.
А также, для зарядки, вмонтировать разъём под сетевой шнур, от старого принтера или приёмника
Но, хочу заострить ваше внимание, если корпус фонарика металлический — зарядное устройство туда не монтируйте, а сделайте его выносным, т.е. отдельно. Совсем не сложно вынуть пальчиковый аккумулятор из фонарика и вставить его в ЗУ
И не забывайте всё хорошо изолировать! Особенно в тех местах, где присутствует напряжение 220 В
Совсем не сложно вынуть пальчиковый аккумулятор из фонарика и вставить его в ЗУ. И не забывайте всё хорошо изолировать! Особенно в тех местах, где присутствует напряжение 220 В.
Думаю, после переделки старый фонарик прослужит вам ещё не один год…
Эффективность и долговечность любого электроприбора зависит от неукоснительного соблюдения правил его эксплуатации. Они обычно просты и не требуют специальных навыков. Не последнюю роль играет понимание, как заряжать электрошокер. Во-первых, неправильная зарядка может существенно сократить срок службы устройства. Во-вторых, если в случае острой необходимости шокер окажется разряженным, то вы окажетесь в незавидном положении.
Когда нет “родной” зарядки

Тут несколько вариантов. Честно говоря, гаджеты с извлекаемой батарейкой удобнее всего для этих целей. Тогда сгодится любое зарядное из ваших запасов от старых сотовых устройств. Можно смело избавляться от разъема, отрезав его и зачистив от изоляции оба проводка. После чего каждый из них прижать к контакту на аккумуляторной батарее (как правило по краю одного из ее торцов), которые подписаны “+” и “-“. Закреплять их удобнее прозрачной скотч-лентой. Так как все это довольно мелко, то придется повозиться. Особенно с устойчивым закреплением контактов, иначе зарядка не будет идти. Лучше периодически проверять, вставляя обратно в телефон.
Куда сложнее с новомодными смартфонами, где батарея сделана неизвлекаемой. Тогда главная забота – поиск подходящего источника питания. Хотя и для такой “нештатной ситуации” есть много коммерческих предложений. Это, например, специальные соединительные кабели питания или переходники через выходы от “прикуривателя” автомобиля (а на самых новых моделях транспорта уже в качестве стандарта USB-выходы для этих целей). Кстати, современные бытовые розетки также предусматривают разъемы питания для таких гаджетов. Наконец, производители выпускают различные линейки автономных источников питания. То есть даже для тех случаев, когда наступает тот самый блэкаут.
Схема аккумуляторного фонарика на светодиодах
фонарик налобный со светодиодами BL — 050 — 7C
Фонарик BL — 050 — 7C поступает в продажу со встроенным зарядным устройством, при подключении такого фонарика к внешнему источнику переменного напряжения — осуществляется подзарядка аккумуляторной батареи.
Аккумуляторные батарейки, а точнее электрохимические аккумуляторы,- принцип зарядки таких элементов основан на использовании обратимых электрохимических систем. Вещества, образовавшиеся в процессе разряда аккумулятора, под воздействием электрического тока — способны восстанавливать свое первоначальное состояние. То есть подзарядили фонарик и можем дальше им пользоваться. Такие электрохимические аккумуляторы или отдельные элементы, могут состоять из определенного количества, — в зависимости от потребляемого напряжения:
- количества лампочек;
- типа лампочек.
Количество, комплект таких отдельных элементов фонарика, — представляют из себя батарею.
Электрическую схему фонарика рис.2 можно рассматривать как состоящей из простой лампочки накаливания так и из определенного количества светодиодных лампочек
Для любой схемы фонарика что именно важно? — Важно то, чтобы потребляемая энергия лампочками состоящими в электрической цепи — соответствовала выдаваемому напряжению источника питания батареи, состоящей из отдельных элементов
Читаем схему соединений:
Резистор R1 сопротивлением — 510 кОм и номинальным значением мощности — 0,25 Вт в электрической цепи соединен параллельно, за счет данного большого сопротивления, напряжение на дальнейшем участке электрической цепи значительно теряется, а точнее, часть электрической энергии преобразовывается в тепловую энергию.
Переделка китайского налобного фонаря в аккумуляторный с зарядкой юсби

Идея о том, как переделать налобный фонарь в аккумуляторный возникла давно, особенно это актуально на рыбалке и при монтаже электропроводки. Поскольку постоянно покупать батарейки невыгодно, в наш век мобильных телефонов.
Вот поразмыслив и заказал нужные запчасти, о которых опишу ниже приступил к доработке налобного фонарика под аккумуляторы своими руками, используя китайскую схему с под зарядкой.Что делает возможным заряжать батарею и в автомобиле и от обычного микро USB современного телефона.
Я заказываю обычно на Алиэкспрес хотя возможно найти и в магазинах но в 2 раза дороже.
Очень яркий и функциональный налобный фонарик, за такую стоимость но почему то сейчас не нашел такой в продажеПробовал переделывать и такую модель , немного не удобно с монтажом кнопки и диодная пластина нагревается, пришлось изолировать от батареи кусочком пластика. Но в итоге фонарик исправно работает
Фонарик доставили на почту за 20 дней что порадовало Ссылка на магазин.
Идея очень проста и под силу каждому, для этого потребуется лишь небольшая батарейка от старого сотового телефона, там установлен Li-Ion аккумулятор с защитой.
По параметрам напряжения подходит идеально, светодиодный фонарик имеет диапазон по напряжению от 4,5 — 2В, а батарея 3,7В в заряженном состоянии 4,2В при этом имеет приличную емкость, которую можно увеличить, добавив параллельно еще одну батарею.
Нужно только правильно определить контакты (на большинстве указаны плюс и минус) остается аккуратно подпаять контакты, чтоб не расплавить и избежать замыкания.Проблема с зарядкой через обычный микро юсби решается просто, заказать маленькую плату стоимостью порядка 20 руб. Micro USB выполняет очень важную роль по контролю за зарядкой и отключением лед лампы при разрядке батареи.
В плате установлены светодиодные индикаторы, которые показывают цветом когда переделанный светодиодный фонарик зарядится
Таким образом доработка налобного китайского фонаря сводится к припайке проводков клемам.Использую эту плату переделка любого фонарика на литий довольно просто, важно только знать, сколько вольт выдает батарея
Плата для зарядки, приобреталась в интернет магазине с бесплатной доставкой
Возможно заказать такую схему тут для себя заказал сразу 10 штук поскольку она универсальна и можно использовать в детских игрушках.
Схема соединения батарей
Параметры платы
- Входное напряжение с Micro USB : 5 В
- Зарядка напряжение отсечки: 4.2 В ± 1%
- Максимальный ток зарядки: 1000mA
- Аккумулятор в течение разряда защита от перенапряжения: 2.5 В
- Установлена защита от перегрузки по току ток: 3A
- Размер платы: 2.6*1.7 СМ
По факту, это отдельная плата которая используется в павербанке и если докупить usb выход то можно и заряжать телефон
Приступим к переделке
Разобранный вид фонаря и первый этап сборки
Теперь, про сама переделка фонарика под аккумулятор вместо батареек, большинстве фонарей используют 3 АА по 1,5в по размеру, сопоставим с мобильной батарейкой, и вполне помещается в основном корпусе, только придется расширить посадочное место. После несложных манипуляций выкрутив или вырезав все лишнее, монтируем на термоклей все детали по местам.
Схема переделки светодиодного фонаряПрипаять все детали по местам с помощью термопистолетаЕсли нужно, то можно увеличить емкость соединив 2 батареиПолучаем модернизированный налобный фонарик с мини юсби входом
В заключение: светодиодный фонарь проработал активно 3 ночи на старых телефонных батарейках без подзарядки.
Возможно и на больше бы хватило, до отсечки не испытывал. Литиевые батарейки не любят полной разрядки. В целом очень доволен по себестоимости в 140 руб. единственное, он очень яркий что не всегда нужно. Порадовало наличие индикаторов заряда на плате. При зарядке по usb светится красным когда батарея заряжена синим.
Таким способом можно переделать практический любой фонарик, вопрос только в размере батарейки. Например батарейки с Айфона неочень практичны и если оторвать контакты с платы подключения неаккуратно то они еще и не паяются.
Бывает такое, что на плате срабатывает защита, а вам нужно его оживить, в таком случае подайте напряжение с блока питания или павербанка. Если телефонные батарейки совсем старые, то налобном фонарик естественно быстрей сработает защита и он погаснет. Хотя батарейкам из старой Нокии (более 4 лет) исправно работают.
Экономить деньги при покупке и соответственно купить дешевле вполне можно воспользоватся кэшбэком (это когда % с покупки накапливаются). Так просто устанавливаете расширение для браузера и деньги постепенно сама копятся.
Схема светодиодного фонарика
Величину резистора легко узнать по цветовой маркировке с помощью онлайн калькулятора. Так вот у меня есть специальная коробка для мобильных остатков шнурки, старые батареи, карточки и т. А располагать светодиоды удобнее в линейку, на расстоянии около 5 мм друг от друга, например, как это показано в конструкции на рисунке ниже. Следовательно конденсатор С будет оставаться в заряженном состоянии.
Если светодиод не светит, необходимо поменять местами крайние выводы первичной или вторичной обмотки трансформатора. Если блокинг генератор не запустился — вы перепутали концы обмоток трансформатора.
Парафин для заливания всего преобразователя.
Во время зарядки фонарик был включен, ток через светодиоды и резисторы превысил предельный, что и привело к выходу их из строя.
По заявлению производителя световой поток фонаря достигает метров, корпус выполнен из ударопрочного ABS-пластика, в комплекте имеется отдельное зарядное устройство и ремень для переноса на плече. Как получают переменный ток — преобразование механической энергии в электрическую энергию при помощи генератора.
Я измерял выходное напряжение, и оно составило В. Разумеется, возможно, применение и других светодиодов с напряжением питания 2, В.
Устройство заряда аккумуляторов для фонаря Для подзаряда аккумуляторов от бортовой сети автомобиля можно воспользоваться схемой, показанной на рисунке ниже.
Садовый фонарь на солнечной батарее. Как он …
Аккумулятор
Для питания фонаря я решил использовать аккумуляторные элементы из «сдохшей» батареи шуруповерта. Достал из
корпуса все 10 элементов. Шуруповерт работал от этой батареи 5-10 минут и садился, по моей версии, для работы
фонаря вполне могут подойти элементы этой батареи. Ведь для фонаря нужны токи, гораздо меньшие, чем для шуруповерта.
Я сразу отцепил три элемента от общей связки, они как раз будут давать напряжение 3.6 вольт.
Я замерил напряжение на каждом элементе по отдельности — на всех было около 1,1 В, только одна показывала 0.
Видимо это неисправная банка, ее в мусорку. Остальные еще послужат. Для моей светодиодной сборки будет достаточно
трех банок.
Проштудировав интернет, я вывел для себя важную информацию о никель-кадмиевых аккумуляторах: номинальное
напряжение каждого элемента 1.2 вольт, заряжать банку следует до напряжения 1.4 вольт (напряжение на банке без
нагрузки), разряжать следует не ниже 0.9 вольт — если составленно несколько элементов последовательно, то не ниже 1 вольта на элемент.
Заряжать можно током десятой доли емкости (в моем случае 1.2А/ч=0.12А), но по факту можно и большим (шуруповерт
заряжается не более часа, значит токи зарядки не менее 1.2А). Для тренировки/востановления полезно разрядить
аккумулятор до 1 В какой-либо нагрузкой и зарядить заново, так несколько раз. Заодно оценить примерное время работы
фонаря.
Итак, для трех элементов, соединенных последовательно, параметры таковы: напряжение зарядки 1.4X3=4.2 вольта,
номинальное напряжение 1.2X3=3.6 вольт, ток заряда — какой даст зарядное мобильного со стабилизатором моего
изготовления.
Единственный не ясный момент: как мерять минимальное напряжение на разряженных аккумуляторах. До подключения
моего светильника на трех элементах было напряжение 3.5 вольт, при подключении — 2.8 вольт, напряжение быстро
восстанавливается при отключении опять до 3.5 вольт. Я решил так: на нагрузке напряжение не должно падать ниже
2.7 вольт (0.9 В на элемент), без нагрузки желательно чтобы было 3 вольта (1 В на элемент). Однако, разряжать
придется долго, чем дольше разряжаешь, тем стабильнее напряжение,
перестает быстро падать на зажженых светодиодах!

Свои и без того разряженные аккумуляторы я разряжал несколько часов, иногда отключая лампу на несколько минут.
В итоге получилось 2.71 В с подключенной лампой и 3.45 В без нагрузки, разряжать дальше не рискнул. Замечу,
светодиоды продолжали светить, хоть и тускловато.
Схема налобного фонаря
Популярная конструкция светодиодного фонаря – налобная. Такой светильник позволяет полностью освободить руки и направлять луч света в нужное место поворотом головы: вслед за взглядом. Это удобно при ремонте автомобиля, при прогулках по затемненным территориям и т.д.
Схема такого светильника строится по принципу:
- управляющая схема (отвечает за переключение режимов);
- буферный усилитель;
- транзисторный ключ для включения светодиода.
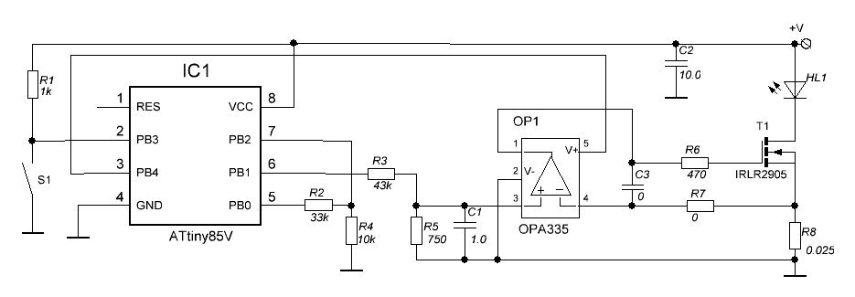
Один из вариантов такого устройства – когда блок управления выполнен на стандартном микроконтроллере (например, ATtiny85), в который зашита программа управления режимом излучателя, промежуточным усилителем служит операционный усилитель OPA335, а в качестве ключа используется полевой транзистор IRLR2905.
Схема карманного светодиодного фонарика на микроконтроллере.
Такая схема недорога, надежна, но имеет технологический недостаток: перед установкой надо программировать контроллер. Поэтому при массовом производстве в качестве блока управления используется специализированная микросхема FM2819 (на корпус может быть нанесено сокращенное обозначение 819L). Этот чип может включать и выключать светоизлучающий элемент, и запрограммирован на четыре режима:
- максимальная яркость;
- средняя яркость;
- минимальная яркость;
- стробоскоп (мигающий свет).
Режимы переключаются циклически коротким нажатием на кнопку. Длительное нажатие переводит фонарь в режим SOS. Изменить программу нельзя (по крайней мере, в даташите не говорится о такой возможности). Микросхема не требует промежуточного усилителя, но очень мощные светодиоды подключать напрямую к выходу нельзя – есть ограничение по нагрузке (и есть защита от ее превышения).

Схема карманного светодиодного фонарика на специализированном чипе.
Поэтому мощные элементы подключаются через ключ. В большинстве случаев им служит полевой транзистор, допускающий длительную работу с большим током в цепи стока, например FDS9435A производства Fairchild или других аналогичных, которые можно выбрать по параметрам из таблицы характеристик FDS9435A.
| Структура | Максимальное напряжение затвор-исток, В | Сопротивление канала в открытом состоянии | Максимальная рассеиваемая мощность, Вт | Наибольшй ток стока в постоянном режиме, А |
| Р-канал | 25 | 0,05 Ом при 5,3 А, 10 В | 2,5 | 5,3 |
Схема фонарика сводится всего к двум активным элементам и обвязке из нескольких конденсаторов и резисторов (плюс аккумуляторные элементы и матрица из светодиодов, само собой).
Переделка фонарика на Li-Ion 18650
Очередной более современный фонарик с зарядкой от сети, внутренности заменены на аккумуляторы 18650 и зарядку от USB на 5 В.
Светодиоды 7 штук заменены на более качественные 5 мм типа «шляпа» и с более ярким свечением. Но поскольку у фонарика было два режима, решил на будущее переделать плату под два вида светодиодов, 6 штук на 5 мм по кругу и центральный мощный CREE светодиод или на 1 Вт, он туда на подложке вписывается в самый раз. В таком виде получается рассеянный свет и свет пучком.
Драйвер стандартный на LM358, ток центрального светодиода выбран в пределах 120 мА, чего вполне хватит для освещения и практически не греет подложку. Нагрев подложки светодиода будет начинаться от 150 мА, но если применить двусторонний стеклотекстолит, то можно вторую сторону использовать как небольшой радиатор, правда это всё же лишнее, поскольку световой поток будет лишь чуть ярче, а вот греться подложка светодиода станет довольно сильно.
Собрал, проверил, всё чётко подошло под отражатель, светит довольно ярко. Свет получился холодным белым от 5 мм светодиодов и немного тёплым белым от CREE.
Корпус для фонаря
Получившееся устройство нужно куда-то поместить, сделать какой-то удобный корпус.

Хотел расположить аккумуляторы со светодиодным фонарем в полипропиленовой водопроводной трубе, но банки не лезли даже в 32 мм трубу, ведь внутренний диаметр трубы намного меньше. В итоге остановился на соединительных муфтах для полипропилена 32 мм. Взял 4 соединительных муфты и 1 заглушку, склеил их вместе клеем.

Склеив все в одну конструкцию, получился весьма массивный фонарь, диаметром около 4 см. Если использовать какую-либо другую трубу, то можно существенно уменьшить размеры фонаря.

Обмотав все это дело изолентой для лучшего вида, мы получили вот такой фонарь:

Переделка фонарика
Главная проблема заключается в том, что «родной» блок питания фонарика (корпус, в котором расположены три аккумулятора типа ААА) немного шире, и на полтора сантиметра ниже аккумулятора 18650. А значит, корпус самого фонарика будет маловат в высоту для 18650. По напряжению 18650 почти идентичен трём мизинчиковым, 18650 выдаёт 3,7 вольта, а три мизинчиковых аккумулятора в сумме дают 3,6 вольта (1,2×3=3,6). Значит, если корпус маловат, надо его удлинить. Было довольно проблематично найти подходящую трубку-вкладыш, которая заполнит собой лишнее пространство между аккумулятором и стенками фонарика. Подходящий вкладыш я, в итоге, так и не смог раздобыть… Просто взял более-менее подходящую трубку, в которую входит 18650 и, установив её на дрель, снял снаружи грубой наждачкой лишнюю толщину с вращающейся заготовки! Итак, разбираем фонарик. Переднюю и заднюю части фонарика откручиваем от средней, и откладываем в сторону. Воспользовавшись бор-машинкой с режущим диском, распиливаем среднюю часть корпуса фонарика на две равные половины. Шлифуем спиленные края об наждачную бумагу, чтобы они стали ровными и гладкими. Далее, вставляем трубку-вкладыш в переднюю часть фонарика с накрученным на неё светоотражателем, сверху надеваем заднюю часть с накрученным на неё дном с кнопкой. Получился новый, удлинённый корпус, который подходит под ширину 18650. Теперь подгоним высоту, вставляем аккумулятор в корпус, отмеряем сверху лишнее, вынимаем вкладыш и отрезаем отмеренный край канцелярским ножом. Ещё в конструкции фонарика, внутри корпуса, имеются два металлических кольца и металлическая полоска, которые соединяют плюс и минус на кнопке выключателя. Естественное дело, что после удлинения корпуса, металлическая полоска стала коротковатой для новой конструкции. Так же пришлось и кольца подгонять под трубку-вкладыш. Слой мягкой пластмассы довольно легко и быстро снялся напильником с краёв вкладыша, куда должно сесть кольцо. Второе, переднее кольцо, вставлялось внутрь передней части фонарика, где расположены отражатель, линза и светодиод, так что с ним возиться не пришлось. С соединяющей кольца металлической полоской поступим проще; просто наклеиваем на вкладыш полоску самоклеющейся алюминиевой фольги. Надеваем заднее кольцо на подготовленную заднюю часть вкладыша. Теперь займёмся «головой» фонарика. На бывшем блоке питания, с мизинчиковыми аккумуляторами, на плюсовом контакте имелась небольшая выпуклость, которая контактировала с плюсом. На аккумуляторе 18650 же, оба контакта плоские, потому, пришлось припаять к плюсовому контакту передней части фонарика такую же пружинку, какая имеется на минусовой, задней части. Теперь собираем новый корпус воедино. Все детали встали на свои места как родные! Осталось прокапать супер клеем стыки между вкладышем и распиленными краями корпуса, чтобы восстановить герметичность. Ещё осталось пространство, точнее, это получился паз, который образовался после установки на вкладыш распиленных концов старого корпуса. Тут дело каждого индивидуальное; можно перед склейкой всех деталей подогнать на это место отрезок трубки, подходящих параметров. Я же решил просто намотать туда понемногу скотча и чёрной изоляционной ленты; может где-нибудь понадобится. Таким образом, мы «перевели» данное устройство с трёх элементов питания, на один, равный им по напряжению, избавив себя, тем самым, от нудной зарядки блока питания маленькими и не ёмкими батарейками. На качествах фонарика (яркости свечения и водонепроницаемости) приведённые выше изменения ни коим образом не сказались. Разве что, он стал на полтора сантиметра длиннее. Напечатать
Раздел «ФОНАРИ ЭРА»
| Товар | Проблема | Возможные пути решения |
| B25, B26 | Не включается | Необходимо проверить батарейки – заменить, либо, в случае окисления, почистить |
| B27 | Не подзаряжается (слабо подзаряжается) | Необходимо учитывать, что солнечная батарея эффективно работает при солнечном свете, однако свет люминесцентной лампы не обеспечивает зарядки, как бы ярок ни был. |
| Все батареечные фонари 3xAAA | Не включается | Проверьте правильность расположения батареек (полярность) и контейнера с батарейками: полярность указана на батарейке и на ребрах контейнера; контейнер должен вставляться «+» внутрь фонаря. |
| Все светодиодные модели FAXX | Один или несколько светодиодов погасли, мерцают, блекнут | Не хватает напряжения — необходимо подзарядить фонарь |
| KA16MR | — Не работает пульт дистанционного управления |
— Упала дальность действия пульта
— Проверьте положение выключателя – выключатель должен быть установлен в режим работы «символ»
— Замените батарейку (тип A23 12V)
KA16M, KA16MR
Не включается, не светит даже при заряженном аккумуляторе
Плохой контакт в головной части фонаря – снимите крышку, отогните контакты от себя (в случае необходимости, почистите) установите крышку на место
Серия SD и HT
Не включается с батарейками Duracell
Слишком маленькое возвышение «плюсового» контакта батарейки Duracell, контакт батарейки с контейнером отстутствует.
Заменить батарейки на ЭРА, Трофи, KODAK, Energizer, Panasonic, Sony, Samsung, GP, либо на батарейки Duracell, купленные в Европе
Установка литий-ионного аккумулятора в LED фонарь
Прежде, чем приступать к работе нужно проверить работоспособность контроллера и аккумулятора.

На контроллер можно подавать напряжение без нагрузки. В таком случае на выходе устанавливается напряжение 4,2 В и на плате светит синий светодиод. Далее нужно проверить аккумулятор, подключив его к выходу контроллера и зарядив полностью. Во время зарядки будет светить красный светодиод, а когда аккумулятор зарядится – синий.
Целесообразно после зарядки провести ходовые испытания аккумулятора, подключить его вместо кислотного и посмотреть сколько времени просветит фонарь. У меня проработал 10 часов и продолжал светить. Больше не стал ждать, так как этого времени для моих задач вполне достаточно.
Новая электрическая схема LED фонаря
На следующем шаге разрабатывается новая электрическая принципиальная схема фонаря. Отрицательный провод является общим для всех узлов и аккумулятора. В левом положении переключателя SA1 общий его контакт соединяет аккумулятор с положительным выводом контроллера. При соединении среднего вывода с выводом 3 напряжение подается на плату узкого луча, а с выводом 4 на планку светодиодов рассеянного света.

Переключатель типа тумблер SA2 служит для выбора аккумулятора, от которого будут работать светодиоды. Так как в наличии имелось два аккумулятора, то решил в фонарь установить оба. На вопрос о допустимости параллельного включения литий-ионных аккумуляторов без специального контроллера однозначного ответа нет. Поэтому я решил пойти проверенным путем и предусмотрел возможность подключать аккумуляторы по отдельности.
Отдельное подключение каждого аккумулятора позволило не только обеспечить их работу и зарядку в оптимальных условиях, но и в процессе эксплуатации фонаря знать сколько времени он еще проработает. Зная сколько времени хватило для работы от одного аккумулятора, будет известно, сколько еще сможет просветить фонарь.
В дополнение, если выйдет из строя один из аккумуляторов, то это не приведет к потере работоспособности фонаря. Два отдельных блока светодиодов и два аккумулятора гарантируют, что вы никогда не останетесь в темноте.
Сборка фонаря на литий-ионном аккумуляторе
Теперь все подготовлено и можно приступать к модернизации фонаря – переделке его схемы для работы с литий-ионным аккумулятором.

Сначала от переключателя отпаиваются все провода и удаляется прежняя плата зарядного устройства.

В корпусе модернизируемого фонаря имелся отсек, предназначенный для короткого сетевого шнура, который закрывается откидной планкой со светодиодами рассеянного света. В него и был выведен рычаг тумблера SA2 выбора аккумулятора.

Для фиксации аккумуляторов был использован двухсторонний скотч, в виде двух полосок. Закрепить аккумуляторы можно и с помощью силикона.

Перед закреплением аккумуляторов и платы контроллера к ним были предварительно припаяны паяльником провода требуемой длины. В связи с тем, что два аккумулятора в одной половинке корпуса фонаря удобно не размещались, установил их по одному в каждой половинке корпуса. Плата контроллера к корпусу была закреплена с помощью двух винтов с гайками М2.
При припайке проводов к выводам аккумулятору нужно соблюдать осторожность, чтобы свободные концы проводов случайно не соприкоснулись и не закоротили его выводы

На фото показан фонарь после окончания монтажа. Осталось проверить его работу узлов и собирать.

Измерять ток зарядки включением амперметра в разрыв цепи после контроллера невозможно, так как внутреннее сопротивление прибора большое и результаты измерения будут не верными. У меня в наличии имеется USB тестер, с помощью которого можно узнать напряжение, подаваемое с зарядного устройства, текущий ток заряда, время заряда и емкость энергии, которую принял аккумулятор. Тестер показал, что контроллер заряжает аккумулятор током 0,42 А. Следовательно, контроллер заряжает аккумулятор нормально.

После сборки фонаря оказалось, что его красный корпус не пропускает свет синего цвета и узнать об окончании зарядки невозможно.

Пришлось фонарь разобрать и в зоне расположения индикаторных светодиодов сделать щелевое отверстие.

Теперь, когда аккумулятор зарядился, хорошо стало видно свечение светодиода синего цвета.


















































