Как запустить котел после установки
Первый запуск производится поэтапно:
- Систему медленно заполняют водой. Это необходимо, чтобы успевал выйти весь воздух. Заполняют, пока давление не составит 1-1,5 Бар.
- Проверяют состояние всех соединений, ищут возможные протечки.
- После этого производится подача газа и пробный запуск котла. Эти действия производят техники из сервисного центра. Они определяют, какие коррективы надо внести в заводские настройки, определяют верхнюю и нижнюю границы температурных режимов, выполняют прочие необходимые действия. Самостоятельный запуск котла не рекомендуется даже опытным людям, а для ночка эта процедура категорически запрещена.
Создание вентиляции и запуск оборудования

Чертёж для установки газового котла.
На следующем этапе следует подумать о создании вентиляции и дымохода. Вентиляционный ход должен быть прочищен и выведен на улицу с помощью трубы. Ее высота должна быть на уровне с коньком крыши. Минимальное значение высоты трубы составляет 10 градусов ниже уровня конька. Только так будет обеспечена достаточная тяга.
Вентиляция котельных помещений имеет приточный характер. Для обеспечения эффективного притока воздуха необходимо сделать в нижней части двери несколько отверстий. Дымоход можно соорудить при помощи стальной трубы. Главное, чтобы она была правильно выведена по вертикали. Стык между раструбом котла и наставляемой трубы герметизируется. Выбираются только термостойкие материалы, так как температура выходных газов может достигать 110º. Сверху на трубу дымохода грибок не ставится. Это противоречит требованиям надзорных органов.
Любой другой вид дымохода делается с помощью гофрированной трубы. Она стыкуется с котлом в его верхней части и крепится с помощью хомута. Верхняя часть трубы крепится хомутом к вентиляционной металлической решетке.
Окончательную проверку и пуско-наладочные работы, связанные с первичным пуском и установкой газового оборудования, правильно произведут работники городской газовой службы. При пуске котла в работу открывается вентиль подачи газа на котел.
Вентиль, указывающий ступень нагрева теплоносителя в котле, следует установить в положение розжига. Для обеспечения безопасности автоматика не подаст газ в топку, пока не будет механического подтверждения. То есть необходимо нажать соответствующую кнопку, после чего зажечь фитиль. В течение нескольких секунд фитиль должен гореть, после чего нужно вращать или поворачивать вентиль до цифры 1.
Возникновение характерного хлопка означает начало подачи основного потока газа и его воспламенение. Нужно продолжить движение вентиля в сторону увеличения до установки заданной температуры на термостате котла. Снижать температуру во время работы категорически запрещено.
Заполнение системы через двухконтурный котел
Теперь рассмотрим самый простой способ, а именно как заполнить систему отопления двухконтурного котла. Эти агрегаты не нуждаются в установке дополнительного узла подпитки контура обогрева, так как он есть в базовой комплектации.

Кран подпитки находится снизу.
Загляните в нижнюю часть котла. Возле патрубка подачи холодной воды из водопровода должна быть пластиковая ручка крана подпитки. В принципе, процедура ничем не отличается от подпитки через патрубок водопровода:
- открываем все воздухоотводчики;
- открываем кран подпитки и заполняем систему;
- по мере заполнения контура закрываем воздухоотводчики;
- добиваемся давления (указанного в паспорте котла).
После того как давление в системе отопления достигло необходимого уровня кран подпитки закрывается. Он не будет задействован до следующего сезона. Менять теплоноситель рекомендуется каждый год. Подробнее о том, как заполнить систему отопления закрытого типа смотрите на видео ниже.
Котлы с двумя контурами являются устройствами, которые нагревают воду для отопительной системы и системы ГВС. То есть двухконтурные котлы, будучи одним агрегатом, могут выполнять две важные функции: создавать тепло в доме и подавать теплую воду для мытья тела и различных предметов. И благодаря этой особенности многие люди хотят выбрать такие устройства, сделав перед этим расчет, нужной мощности для отопления одно- или двухэтажного дома.
Бывают такие котлы:
Самыми популярными среди них являются первые. Этот факт обусловлен доступностью и дешевизной газа, а также удобством в использовании. Также популярными являются комбинированные котлы. Их включают в проекты из расчета на то, что они могут выручить тогда, когда нет основного топлива.
Монтаж твердотопливных агрегатов
Эти агрегаты устанавливают в частном доме в сухих помещениях, размеры которых прямо пропорциональны габаритам и мощности агрегата. Стены котельной должны быть оштукатурены или обиты листовым железом. Схема их подключения подразумевает наличие приточной и вытяжной вентиляции, которая обеспечит хорошую тягу.
Котёл устанавливают по уровню на горизонтальном фундаменте, накрытым слоем листового железа. Фундамент должен быть на 10 см больше основания агрегата по всему его периметру. Зона безопасности со стороны топки — не менее 40 см.
Инструменты и материалы
Для подключения к отопительной системе надо приобрести:
- два шаровых крана с соединением «муфта-штуцер» диаметром 50 мм;
- два сгона тем же диаметром;
- манометр;
- клапан предохранительный;
- автоматический воздухоотводчик;
- два шаровых крана диаметром 15 мм;
- три стальных муфты диаметром 50 мм;
- переходы 57 х 32 мм со стенкой 3 мм;
- отводы 57 х 3,5 мм;
- дымовую трубу с шиберной задвижкой;
- трубы 57 х 3,5 мм;
- герметик термостойкий;
- сантехническую подмотку;
- циркуляционный насос.
Обвязка
Обвязка агрегата оснащается системой безопасности, которая состоит из теплового аккумулятора, трёхходового клапана для подмеса холодной воды, термостата. Что надо сделать:
- разместить котёл на фундамент;
- подсоединить трубы отопления с обязательным использованием шаровых кранов, уплотняя место стыков сантехнической подмоткой;
- сделать заземление и подключить кабель питания;
- установить систему безопасности (манометр, клапан предохранительный, автоматический воздуоотводчик);
- собрать дымовую трубу, уплотняя места соединения колен термостойким герметиком;
- заполнить теплообменник водой;
- проверить расположение колосников, растопочной заслонки, заглушки для прочистки и прочее;
- сбросить давление в теплообменнике до рабочего;
- установить заслонки в дымоходе и топке в необходимое положение;
- осуществить закладку дров.
Вообще, любое отопительное оборудование может быть подключено к системе отопления своими руками при грамотном подходе и наличии базовых знаний и навыков.
Требование к помещению
Особые требования предъявляются и к помещению, где газовое оборудование будет установлено (котельной, или топочной). Эти требования достаточно строги
Но их невыполнение приведет к штрафным санкциям со стороны проверяющих органов, а соблюдение поможет предотвратить несчастные случаи, ведь газ – это взрывоопасное, горючее вещество, с которым нужно обращаться очень осторожно
Газовый котел может быть установлен в чулане, кухне, подвале или специальной пристройке, оборудованной вентиляцией и вытяжкой. При этом категорически запрещается монтировать газовое оборудование в туалете, ванной и жилых комнатах. Остальные требования зависят от типа котла.

Так, маломощный одноконтурный котел (до 60 кВт) разрешается устанавливать в любом помещении дома, кроме вышеперечисленных. Двухконтурные котлы нельзя устанавливать на кухне.
Если общая мощность оборудования находится в пределах 150 кВт, то помещение, где оно будет монтироваться, может располагаться на любом этаже дома. Установка в частном доме более мощных газовых котлов и оборудования (150-350 кВт) допускается только на первом и цокольном этажах.
Кроме этого, правила установки газового котла регламентируют размеры помещения котельной: 0,2 м3 на 1 кВт мощности оборудования при высоте потолков от 2,5 м, но не менее 15 м3 общего объема.
Стены должны иметь предел огнестойкости не менее 0,75 ч. Недопустим монтаж фальшпола и фальшпотолка. Ко всем приборам и вспомогательному оборудованию необходимо обеспечить удобный доступ для наладки, регулирования и обслуживания.
Также в котельную обязательно должен попадать естественный свет. Для этого в помещении необходимо сделать окно из расчета 0,03 м2 площади проема на 1 м3 объема котельной. В окне обязательно должна быть форточка.
Существуют определенные требования к ширине двери, ведущей в котельную – минимум 80 см
Обратите внимание, имеется в виду ширина именно дверного полотна, а не проема!. Кроме этого, необходимо оставить небольшой зазор в нижней части двери или оснастить ее вентиляционной решеткой
Также вентиляционную решетку можно сделать в стене, смежной с соседней комнатой. Сечение вентиляционной продушины рассчитывается исходя из мощности котла: 8 см2 на 1 кВт
Кроме этого, необходимо оставить небольшой зазор в нижней части двери или оснастить ее вентиляционной решеткой. Также вентиляционную решетку можно сделать в стене, смежной с соседней комнатой. Сечение вентиляционной продушины рассчитывается исходя из мощности котла: 8 см2 на 1 кВт.
Если газовый котел устанавливается в цокольном этаже или подвале, помещение котельной должно быть оборудовано дополнительным выходом на улицу. Если газовый котел размещается в пристройке, она должна располагаться возле глухой стены жилого дома, на расстоянии не более 4 м до ближайшего окна, на высоте 8 м от окна до перекрытия (СНиП 41-01-2003 и МДС 41-2.2000 ).
Преимущества и недостатки
Чтобы действительно определить характеристики, следует различать все плюсы и минусы. К первой категории относятся:
- Благодаря современным технологиям, осуществляется высокая эффективность энергетики.
- Некоторые конструкции обладают небольшой стоимостью, что говорит о доступности приобретения.
- Низкий показатель отложений в трубах и коррозии металла.
Говоря о возможных дефектах, стоит упомянуть:
- Требуемая точность в расчёте открытой системы. Это может вызвать трудности во взаимодействии с агрегатом.
- Кроме этого, состояние конструкции двухконтурного намного сложнее, чем с одним контуром.
Какие бывают котлы
Уже длительное время для обогрева частных домов используется отопительное оборудование, которое функционирует за счет природного газа, электроэнергии или твердого топлива. Использование того или иного вида топлива зависит от того, какой тип котла планируется установить в доме. Бывают они следующие видов:
- Газовые;
- Электрические;
- Твердотопливные.
Газовые котлы и их характеристика
В частных домах большой популярностью пользуются газовые котлы. Однако установить такой котел можно в случае наличия газового трубопровода. Функционируют газовые котлы за счет природного топлива, которое является не только эффективным, но еще и недорогим. Преимуществом газовых котлов является то, что они функционируют самостоятельно. Для этого нужно лишь задать соответствующие параметры, после чего наслаждаться комфортной температурой в доме.

Недостатком газового оборудования является то, что газ – это среда повышенной опасности, так как при его утечке он взрывается от малейшей искры
Выбирая газовое оборудование для отопления дома, немаловажно обратить внимание на такие параметры:
- Производительность агрегата. Выбор устройства по производительности осуществляется на основании квадратуры дома.
- Потребляемая мощность. От мощности зависит, как быстро агрегат сможет обогреть дом.
- Количество контуров. Одноконтурные предназначены только для обогрева системы отопления, а двухконтурные помимо отопления, еще и нагревают воду, используемую для бытовых нужд.
- Способ установки. Различают котлы напольного и настенного способа расположения.
- Очистка отработанных газов. Как происходит очищение устройства от отработанных газов.
Настенные варианты пользуются огромной популярностью, но существенным их недостатком является функционирование не только при наличии газа, но еще и электроэнергии. Газовые котлы имеют встроенные насосы, а также электронные датчики, функционирующие от электрической сети. Как только отключают электричество, то функционирование такого котла прекращается.
Газовые котлы парапетного типа не имеют встроенных электронных датчиков, поэтому они могут работать даже при отключении электроэнергии. Циркуляционный насос для таких котлов устанавливают дополнительно при необходимости. В основу газовых котлов входят следующие составляющие:
- горелка;
- расширительный бак;
- насос циркуляционный;
- манометр;
- термометр;
- теплообменник;
- система отвода отработанных газов (дымоход).
Электрические котлы и их характеристика
Одним из самых экологически чистых устройств отопления считается электрический котел. Однако стоимость отопления напрямую зависит от тарифов на электроэнергию. Размер котлов зависит от их мощности, но зачастую это компактные агрегаты для установки на полу или на стене.

Принцип работы электрических котлов основывается на превращении электрической энергии в тепловую за счет использования нагревательных ТЭНов. Тепловая энергия расходуется на нагревание воды в отопительной системе. Работа таких агрегатов напрямую зависит от наличия электроэнергии. Агрегаты такого типа являются не только экологически чистыми, но еще и безопасными.
Твердотопливные котлы и их особенности
Твердотопливные котлы используются в частных домах, где отсутствует возможность обогрева помещения природным газом. В качестве твердого топлива используются дрова или уголь. Недостатком такого устройства является необходимость постоянно контролировать и поддерживать его работу. При прогорании дров или угля происходит затухание агрегата. Чтобы увеличить промежуток времени подачи твердого топлива, применяются механические и автоматические регуляторы. Однако даже их применение не исключает необходимости вручную добавлять топливо.

Твердотопливные агрегаты являются самыми большими по размерам, и устанавливаются исключительно на полу. В конструкции такие агрегаты имеют:
- камеру сгорания;
- теплообменник;
- загрузочный отсек;
- дымоход;
- форсунки;
- блок управления;
- камеру отвода горячих газов.
Теперь, когда известно, что собой представляет каждый агрегат, можно разобраться, как правильно подключить котел.
Подключение котла к радиаторам и ГВС
Этот процесс выполняют в такой последовательности:
- Проводят своими руками монтаж шаровых кранов на патрубки котла. Для обеспечения герметизации на резьбу на патрубках наматывают паклю, фум-ленту или нить. Стоить добавить, что перед фиксацией запорной арматуры или фильтров всегда нужно наматывать один из этих элементов на резьбу металлических труб. Если планируется использовать полипропиленовые или металлопластиковые трубы, то придется проводить пайку и применять специальные фитинги. Особенности этих процессов можно узнать в различных видео.
- Подключают к одному крану трубу для подачи теплоносителя в установленную в доме систему отопления.
- При необходимости монтируют группу безопасности.
- На обратной трубе системы отопления ставят расширительный бачок (конечно, если в нем есть необходимость).
- Проводят монтаж шарового крана и фильтра очистки воды. Последний нужно монтировать на горизонтальный отрезок трубопровода. Можно и на вертикальную трубу, однако, в этом случае придется использовать специальный вариант фильтра. Его устанавливают в таком положении, чтобы направление изображенной на нем стрелочки совпадало с направлением движения теплоносителя.
- После фильтра ставят второй шаровой кран. Эти краны необходимы для облегчения чистки фильтра. Их перекрывают своими руками и чистят фильтр.
- Подключают обратную трубу от системы отопления к котлу.
- Подключают «горячую» трубу ГВС до крана, расположенного на нужном патрубке.
- В обратную линию от ГВС врезают водопроводную трубу. Конечно, в начале этой трубы ставят шаровой кран. Он остановит приток холодной воды после заполнения ею всей установленной в частном доме отопительной системы и ГВС.
- На обратную трубу от ГВС перед входом в котел ставят шаровой кран, фильтр очистки воды, магнитный фильтр и шаровой кран.
Здесь не упоминалось о циркуляционном насосе. Настенные двухконтурные котлы всегда имеют его. Для напольных котлов, предназначенных для естественной циркуляции теплоносителя, он не нужен. Если ранее был установлен аппарат для естественной циркуляции. и потом захотелось сделать движение теплоносителя принудительным, придется ставить два циркуляционных насоса: один на обратную линию системы отопления, другой на обратную линию ГВС .
Правила установки оборудования
Монтаж и подключение котла к системе следует начинать после прохождения этапа проектирования, когда для агрегата подготовлено место в доме. Если установить его с нарушением требований, специалисты газораспределительной компании не подсоединят оборудование к газовой магистрали.
Общие требования на этапе проектирования
Основные нормы установки газового оборудования прописаны в СНиП 42-01-2002. Вспомогательная информация содержится и в уже недействительном, но полезном СНиП 2.04.08-87.
Обычно все правила учитываются инженером-проектировщиком, но и для себя их знать полезно. Помещением для расположения котла может быть кухня, если мощность прибора колеблется в диапазоне до 60 кВт. Отдельная или пристроенная топочная актуальна для агрегатов с показателем мощности до 150 кВт.
Дополнительные нормы по монтажу газового оборудования приведены в СНиП о котельных установках, а также об отоплении, вентиляции, кондиционировании
Требования к помещению следующие:
- Минимальное значение высоты комнаты — 2 м, объема — 7,5 м3. Если газовых приборов два и более, параметры меняются на 2,5 м и 13,5 м3 соответственно.
- Не подходят для установки: подвалы, балконы, санузлы, коридоры, комнаты без форточек.
- Стены помещения должны быть покрыты негорючими материалами или защищены специальными панелями.
- Освещение: на 10 м3 комнаты приходится минимум 0,3 м2 окна. При взрыве газа окна представляют собой легкосбрасываемую конструкцию, что повышает безопасность эксплуатации оборудования.
- Обязательно наличие заземления, трубопровода холодной воды.
- Сечение дымохода соответствует мощности устанавливаемого оборудования.
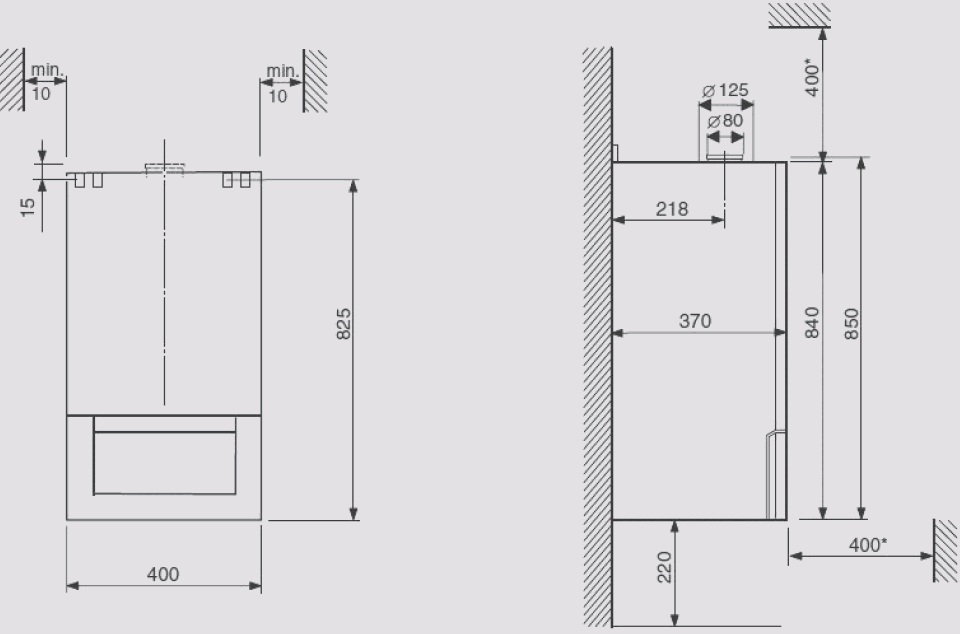
- Оставлено пространство вокруг прибора: спереди — от 1,25 м, по бокам (если необходимо обслуживание) — от 0,7 м.
- Соблюдено расстояние от вертикального дымохода до агрегата — не больше 3 м.
Должна предусматриваться и вентиляция. Естественная рассчитывается в размере 3-х объемов комнаты за час. При организации приточной к этому значению добавляется воздух на горение (параметр указывается в паспорте котла).
Требования касаются не только помещений. Регламентируется и расстояние от навесного прибора до ближайших конструкций. Эти сведения указываются производителем в инструкции к оборудованию.
Если двухконтурный котел устанавливается на деревянную стену, к ней крепится лист кровельной стали (0,8 – 1 мм) или плита минерита. При условии расположения оборудования не в кухне возможен и асбест
Напольные модели котлов устанавливаются на негорючие основания. Если поверхность деревянная, обязательна металлическая подложка.
Рекомендуется размещать прибор как можно ближе к газовой трубе. Использование специальных шлангов допустимо, но они не должны быть большой длины. В продаже встречаются сильфонные шланги до 5 м, они разрешены к установке, но по европейским стандартам длина ограничивается двумя метрами.
Процесс подготовки документации
После общего ознакомления с тем, как технически правильно подключать двухконтурные газовые котлы, можно приступить к подготовке документации. Первый этап — получение ТУ. Необходимо обратиться в районную газовую службу с заявлением, где указан предполагаемый объем потребления голубого топлива в час.
Технические условия выдаются через 1-2 недели. Документ является разрешением на подключение жилья к газовой магистрали.
Второй этап — согласно ТУ разрабатывается проект установки оборудования. Третий — утверждение подготовленной документации инженерами обслуживающей газораспределительной компании.
Проект включает как схему установки самого котла, так и прокладку газопровода от точки подключения до магистрали. Если речь о частном доме, добавляется чертеж проведения коммуникаций по участку
В контролирующую организацию подается техпаспорт котла, инструкция по эксплуатации, сертификаты, заключение экспертизы о соответствии прибора всем нормам. Необходимые бумаги предоставляются производителем двухконтурного котла.
Согласование документации может произойти за неделю или продлиться до 3 месяцев, все зависит от сложности проекта. В случае отказа инспекция обязана предоставить список правок для устранения недостатков. Если все требования соблюдены, проставляются печати и можно приступать к подключению оборудования.
Можно ли установить самовольно
Технически подготовленный собственник котла, вполне может самостоятельно смонтировать газовую запорную арматуру, клапан-отсекатель, счётчик и датчик загазованности воздуха.
Тем не менее, обвязку котла к газовой магистрали и все работы на ней имеют право выполнять только работники газовых служб, они же выполняют первый запуск оборудования.
Это обязательное условие по безопасному подключению газового котла, которое разрешает выполнение подобных работ компаниями и специалистам, имеющим специальный допуск. А вот обвязку газового котла к системе отопления можно выполнять самостоятельно.
Правила обвязки газового агрегата
Прежде чем начинать приобретать оборудование нужно получить Технические условия и разрешения на подключение к газопроводу. Газовая служба определяет, возможна ли в принципе установка газового котла, а также параметры газа в точке врезки. Далее владельцы выполняют проект теплоснабжения с привлечением специализированной организации, в котором будет в обязательном порядке указана схема обвязки. Данный проект согласовывается с газовой службой. Обычно на это уходит от 2-х недель до 3-х месяцев, только после этого можно покупать газовое оборудование.
Основные правила:
- Перед тем, как начинать выполнять обвязку газового котла для отопления, его устанавливают в помещении, которое должно иметь минимальные параметры: площадь не менее 4м, высота – 2,5 м, а ширина дверного проема не менее – 0,8 м.
- В помещение должна быть естественная вентиляция и окна, размеры которых зависят от площади: 0,3 м2 окна на 10 м2.
- Все газопроводы должны быть стального изготовления.
- Дымоходная труба должна иметь диаметр, в зависимости от мощности котла: 30 кВт – 13 см, 40 кВт – 17 см, но при этом она не должна быть меньшей, чем выходной дымовой патрубок из котла.
- Наружная часть дымохода, должна быть выше крыши не менее чем на 50 см.
- В помещении котельной устанавливают датчик по загазованности и клапан-отсекатель газа.
- Оборудование котла должно быть надежно заземлено.
- Система подачи электроэнергии оборудуется токовой защитой и теплоизоляцией.
- Обвязка элементов рабочей схемы выполняется с применением трубопроводов, которые могут быть из оцинкованной стали, чугуна, меди и пластика.
- Участки труб на выходе из котла выполняются только металлическими, протяженностью не менее 1.0 м.
В последнее время наибольшую популярность получили металлопластиковые на пресс-фитингах и полипропиленовые трубы с алюминиевым армированием. Преимущество их бесспорно, и в части надежной быстрой сборки, и в части стоимостного показателя, кроме того такой трубопровод может выдержать давление до 25 бар и температуру среды до 95 С. Тем не менее варианты имеют и недостатки, которые надо учитывать, приступая к монтажу. Пресс-фитинги очень чувствительны к качеству сборки, при малейшем перекосе может произойти утечка воды, а полипропилен имеет высокий коэффициент удлинения при температуре свыше 50С.
Особенности обвязки газовых котлов полипропиленом:
- Контуры отопления и ГВС выполняют: трубами PN 25 (2.5 атм, 95 С) и PN 20 (2.0 атм, 80 С).
- Соединение труб и фитингов выполняют путем холодной или горячей сварки, для соединения с металлическими участками используют резьбовые соединения.
- Во избежание разрушения полипропиленовых труб устанавливают компенсационные петли.
- Многослойные трубы имеют внутреннее армирование для компенсации. Фольга уменьшает удлинение в 2 раза, а стекловолокно в 5 раз.
- Перед сваркой удаляют фольгу с армированных трубопроводов.
Как происходит обвязка газового котла
Подключение настенного котла к электросети
Большинство современных настенных газовых котлов снабжены сложной автоматикой. Она управляет множеством процессов, превращая отопительный котел в автономную мини-котельную, работа которой практически не требует вмешательства владельца. Очевидно, что для блока управления и различных датчиков требуется подключение к электросети.
Двухконтурные настенные котлы выпускаются в двух вариантах: с привычной розеткой и с кабелем для подключения напрямую к автомату. В любом случае их необходимо запитывать от электросети через индивидуальный автомат. Если вы приобрели модель с вилкой, то индивидуальную разетку для газового котла следует располагать рядом с ним, но не в коем случае не под ним. Это одно из требований безопасности, чтобы в случае протечки теплоносителя не произошло короткого замыкания.
Фото 3: Установка стабилизатора напряжения для настенного котла
Газовый котел требует обязательного заземления. Для этих целей можно приобрести комплект точечного заземления. Он устанавливается в подвальном помещении или рядом с домом и занимает небольшую площадь около 0,25 м².
Внимание! Заземлять настенный газовый котел на радиатор отопления или трубу подачи газа категорически запрещается. Это является грубым нарушением правил эксплуатации газового оборудования и чрезвычайно опасно
Котельная автоматика очень чувствительна к качеству питающего напряжения. При недостаточном уровне или неидеальной форме синусоиды на входе, приборы быстро выходят из строя. Для предотвращения частых поломок и продления срока службы агрегата требуется подключать стабилизаторы напряжения для газовых котлов. Чтобы избежать остановок отопительного оборудования в случае перебоев в подаче электропитания, следует дополнительно приобрести источник бесперебойного питания.
Подбор оптимальной схемы отопления
Для обогрева жилища чаще всего используются следующие схемы, как установить котел отопления в частном доме:
- Однотрубные. Один коллектор обеспечивает все радиаторы. Он играет роль и подачи, и обратки, так как прокладывается замкнутым контуром рядом со всеми батареями.
- Двухтрубная. В этом случае применяется отдельная обратка и подача.
Чтобы выбрать наиболее оптимальную схему установки котла отопления в частном доме, рекомендуется проконсультироваться со специалистом. Однако в любом случае, двухтрубная система является более прогрессивным решением вопроса какая схема отопления лучше для частного дома. Хотя на первый взгляд может показаться, что однотрубная система позволяет сэкономить на материале, однако практика показывает, что такие системы и дороже, и сложнее.
Важно понимать, что внутри однотрубной системы остывание воды происходит намного быстрее: в результате более дальние радиаторы приходится оснащать большим числом секций. Также у раздающего коллектора должен быть достаточный диаметр, превосходящий линии двухтрубной разводки
Кроме того, в данной схеме существует серьезное затруднение при организации автоматического управления из-за влияния радиаторов друг на друга.
Небольшие строения типа дач, где число радиаторов не превышает 5, можно без опасения оснащать однотрубной горизонтальной схемой системы отопления частного дома своими руками (ее еще называют «ленинградкой»). Если число батарей увеличить, будут наблюдаться сбои в ее функционировании. Еще одно применение подобной развязки — однотрубные вертикальные стояки в двухэтажных коттеджах. Подобные схемы встречаются довольно часто и работают без сбоев.
Двухтрубная развязка обеспечивает доставку на все батареи теплоносителя одинаковой температуры. Это позволяет отказаться от наращивания секций. Наличие подающей и обратной трубы создает оптимальные условия для внедрения автоматического управления радиаторами, для чего используются термостатические вентили. В этом случае можно брать трубы меньшего диаметра и более простые схемы.
Какие бывают схемы отопления частного дома двухтрубного типа:
- Тупиковыми. В этом случае трубопровод состоит из отдельных ветвей, внутри которых используется встречное движение теплоносителя.
- Попутными двухтрубными. Здесь обратка выполняет роль продолжения подачи, что обеспечивает кольцевое движение теплоносителя внутри схемы.
- Лучевыми. Наиболее дорогостоящие схемы, где каждый радиатор имеет отдельно проложенную скрытым способом (в полу) линию от коллектора.
Если при укладке горизонтальных магистралей большого диаметра использовать уклон 3-5 мм/м, то будет достигнут гравитационный способ работы системы, и циркуляционные насосы можно не применять. Благодаря этому достигается полная энергетическая независимость системы. Этот принцип можно применять как однотрубных, так и двухтрубных схемах: главное – создать условия для самотечной циркуляции теплоносителя.
В открытых отопительных системах потребуется наличие в самой верхней точке расширительного бака: такой подход является обязательным при обустройстве самотечных контуров. Однако обратная труба рядом с котлом может быть оснащена мембранным расширителем, что позволит сделать систему закрытой, работающей в условиях избыточного давления. Такой подход считается более современным, и чаще всего используется в системах принудительного типа.
Особого упоминания при исследовании, какую схему отопления выбрать для частного дома, заслуживают теплые полы. Стоит такая система довольно дорого, так как требует укладки в стяжку нескольких сотен метров трубопровода: это позволяет обеспечить каждую комнату отдельным нагревающим водяным контуром. Трубы коммутируются на распределительном коллекторе, который имеет смесительный узел и собственный циркуляционный насос. В результате помещения прогреваются очень равномерно и экономично, в комфортной для людей форме. Подобный тип отопления может применяться в различных жилых помещениях.
Одно- и двухтрубные системы отопления
Отличаться системы теплоснабжения также могут и тем, из какого количества трубопроводов они состоят.
Вариантов устройства в данном случае может быть только два: система с одной трубой и двухтрубная коммуникация:
В первом случае нагретый теплоноситель, поступающий к радиаторам, и уже остывший движутся по одной трубе. Этот вариант устройства прост в монтаже и более доступен касательно стоимости
Однако здесь важно помнить об одном отрицательном свойстве такой схемы: при движении горячей воды от одной батареи к другой часть тепла будет теряться, а обеспечить равномерный нагрев на протяжении всей отопительной цепочки очень проблематично.
Хорошей заменой системе с одной трубой станет установка двухтрубной коммуникации. В этом случае горячая вода, идущая от котла, поступает к радиаторам по одной трубе, а отвод уже остывшего теплоносителя выполняется по другой
Производительность работы всей системы при такой схеме подключения является боле высокой.
По мнению многих специалистов, применение двухтрубной разводки должно сопровождаться установкой распределительного центра, от которого отходят все трубы с горячим теплоносителем и к которому примыкают трубы с холодной водой. Благодаря такому механизму отрегулировать движение воды в системе гораздо удобнее. Кроме того, обезопасить всю систему также можно, обустроив специальный обводной канал, именуемый байпасом, о котором уже говорилось ранее.
Таким образом, можно отметить, что собственноручный монтаж и подключение компонентов отопительной системы – это очень сложная работа, требующая не только повышенного внимания со стороны хозяев, но иногда и специальной подготовки в области строительства. Помочь в выполнении всех монтажных мероприятий могут различные фото элементов отопительных систем, а также видео, подробно описывающие весь процесс работы, начиная от расчетов и заканчивая запуском системы отопления.
Кроме того, в случае возникновения трудностей всегда есть возможность обратиться за помощью к профессиональным мастерам, способным дать нужный совет и справиться с подключением тех или иных структурных частей системы теплоснабжения.
Схемы подключения газовых котлов
Схема отличается у одноконтурных и двухконтурных котлов.
Одноконтурные

Такой прибор имеет один теплообменник, использующийся для нагрева теплоносителя.
С его помощью невозможно подготовить воду для горячего водоснабжения (бытовых нужд). Они предназначены только для обогрева жилого помещения.
Агрегаты различаются на настенные и напольные по принципу установки. Разница заключается в мощности.
У первых она ограничена — 100 кВт, для напольных лимита практически не существует.
Настенные
Прикрепление производится с помощью специальных кронштейнов.
Важно! Обязательно должен быть зазор между агрегатом и стеной размером от 30 до 50 см
- Проверка наличия тяги в выходном патрубке агрегата проводится перед тем, как соединить с дымоходом. Диаметр входного отверстия должен соответствовать диаметру трубы у дымоотвода. Соединения должны быть герметичными.
- Для предотвращения засора теплообменника на патрубке котла устанавливается система смягчения воды.
- Перед подключением к системе отопления необходима опрессовка агрегата.
- При помощи гибкого шланга и паронитовых прокладок происходит подсоединение к газовой магистрали.

Фото 1. Схема подключения одноконтурного настенного котла к системе отопления с циркуляционным насосом и водонагревателем.
Напольные
- Установка прибора происходит на специально подготовленное и расчищенное место.
- Проделывается отверстие для дымохода (если его нет) и проверяется совпадение размеров диаметров обоих выходов (как дымоотвода, так и дымохода).
- Устанавливается фильтр для смягчения воды.
- Котёл присоединяется к отопительной системе и газовой магистрали.
Внимание! Из-за возможной опасности работ подключение настенных и напольных агрегатов к газовой магистрали рекомендуется поручить специалисту. Герметичность соединений актуальна для обоих видов устройств
Герметичность соединений актуальна для обоих видов устройств.
Двухконтурные
Двухконтурные приборы отличаются присутствием 2 магистралей. Вторая линия предназначена для обогрева воды для бытовых нужд, что позволяет отказаться от использования бойлера.
Настенные
Схема подключения настенных двухконтурных котлов не сильно отличается от одноконтурных. Однако здесь происходит подсоединение уже четырёх (а не двух) патрубков, пара из которых задействована для обогрева воды на хознужды.

Фото 2. Схема подключения настенного двухконтурного котла отопительной системы для частного двухэтажного дома.
Напольные
Подключение напольного двухконтурного типа аналогично одноконтурному, опять же учитывая наличие и подключение второй пары патрубков.


















































